-
-
-
Phí vận chuyển: Tính khi thanh toánTổng tiền thanh toán:
-
Mạch Điều Khiển Wifi Relay ESP8266 V12
(Mã SP:CG000318)
Thương hiệu: Chưa cập nhật |
Đánh giá
:Giá
:157.500₫
197.000₫
-20%
Mô tả :
Đang cập nhật ...
Đa dạng sản phẩm, lĩnh vực Linh kiện điện tử, CNC, 3D, Laser...
Khách hàng dễ dàng theo dõi hành trình đơn hàng online tại mục "Kiểm tra đơn hàng"
Nhiều hình thức thanh toán + ship hàng linh động: Mua trực tiếp; mua online; chuyển khoản; ship COD
Chất lượng đảm bảo, sản phẩm được test kĩ và đóng gói cẩn thận
Mô tả sản phẩm
WiFi Relay ESP8266 V12 là mạch điều khiển thiết bị điện từ xa qua WiFi, sử dụng module ESP8266 V12 tích hợp vi điều khiển, kết nối không dây với điện thoại hoặc mạng nội bộ. Mạch tích hợp sẵn 1 relay 10A 250VAC, phù hợp bật/tắt thiết bị gia dụng như đèn, quạt, máy bơm, ổ cắm điện... từ xa qua ứng dụng hoặc giao thức HTTP/MQTT.
-
Mạch điều khiển 1 thiết bị điện bằng WiFi ESP8266 V12
-
Tích hợp 1 relay 1 kênh, tải tối đa 10A
-
Có sẵn optocoupler cách ly, đảm bảo an toàn
-
Lập trình dễ dàng qua Arduino IDE, hỗ trợ OTA update
-
Ứng dụng điều khiển từ xa qua app như Blynk, MQTT, Domoticz, Home Assistant
Ứng dụng
-
Điều khiển thiết bị qua WiFi bằng điện thoại
-
Nhà thông minh (Smart Home): Điều khiển đèn, quạt, máy bơm
-
Điều khiển ổ cắm WiFi
-
Kết nối với MQTT Server / Home Assistant / Domoticz
-
Tự động hóa bằng cảm biến nhiệt độ, ánh sáng,...
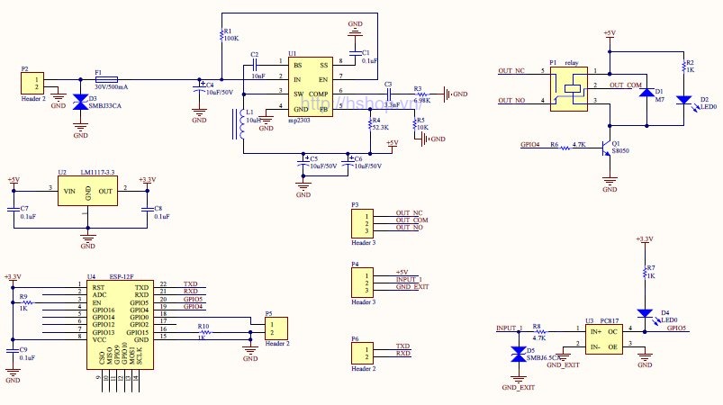
Sơ đồ chân
Thông số kĩ thuật
- Mạch điều khiển trung tâm: Module Wifi SoC ESP8266 V12, ISM: 2.4 GHz, PA:+ 25 dBm.
- Điện áp sử dụng: 7 ~ 30VDC.
- Ngõ ra: Relay tiếp điểm điểm thường đóng (NC), thường mở (NO) với thiết kế anti-climb có thể đóng ngắt tải Max 100W/10A.
- Tích hợp bảo vệ quá áp đầu vào TVS (điện áp đầu vào vượt 33VDC tự động ngắt).
- Tích hợp mạch giảm áp xung và IC giảm áp LDO cấp nguồn ổn định cho cho ESP8266 và Relay.
- Tích hợp cổng vào tín hiệu Input với Opto cách ly và led hiển thị trạng thái.
- Kích thước(L*W*H): 65 x 40 x 18 mm
Hướng dẫn sử dụng
Hình ảnh
Bảo hành
Linh kiện mới 100%, test kỹ nếu khách yêu cầu
Không bảo hành với linh kiện điện tử nhỏ (IC, chip, transistor…)
Quý khách cần có kiến thức cơ bản về điện tử để lắp đặt đúng cách
Hỗ trợ kỹ thuật miễn phí nếu liên hệ trước khi đặt hàng
Tại sao chọn mua tại Linh Kiện Cầu Giấy?
✅ Giao hàng toàn quốc – nhanh chóng, đóng gói cẩn thận
✅ Hỗ trợ kỹ thuật nhiệt tình, tư vấn đúng nhu cầu
✅ Cam kết linh kiện chính hãng, đúng mô tả
✅Giá cạnh tranh, phù hợp sinh viên, kỹ sư và DIY Maker
Hashtag
#ESP8266V12 #WiFiRelayESP8266 #MạchRelayWiFi #ESP8266SmartHome #ĐiềuKhiểnTừXa #WiFiSwitch #RelayESP8266 #BlynkRelay #IoT #ESPHome #Tasmota #Domoticz #HomeAssistant
.
Sơ đồ chân:

- A: Nguồn đầu vào VCC 7~30VDC
- B: Nguồn đầu vào GND 0VDC.
- C: Chân thường đóng Relay (NC)
- D: chân chung Relay Common (COM)
- E: Chân thường mở Relay (NO)
- F: Ngõ ra 5VDC cấp cho thiết bị giao tiếp (ví dụ cảm biến,...)
- G: Ngõ vào Input GPIO5 ESP8266 có Optocoupler.
- H: Ngõ vào GND_EXIT được cấp từ thiết bị giao tiếp (isolated optocoupler input).
Sơ đồ mạch:




