-
-
-
Phí vận chuyển: Tính khi thanh toánTổng tiền thanh toán:
-
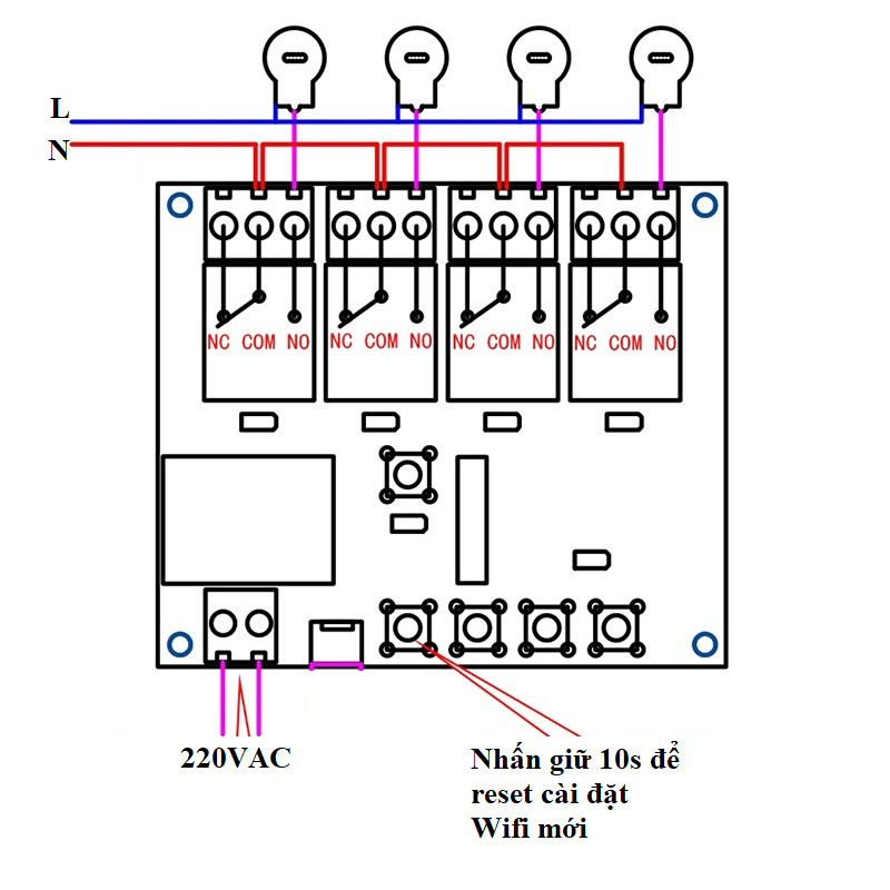
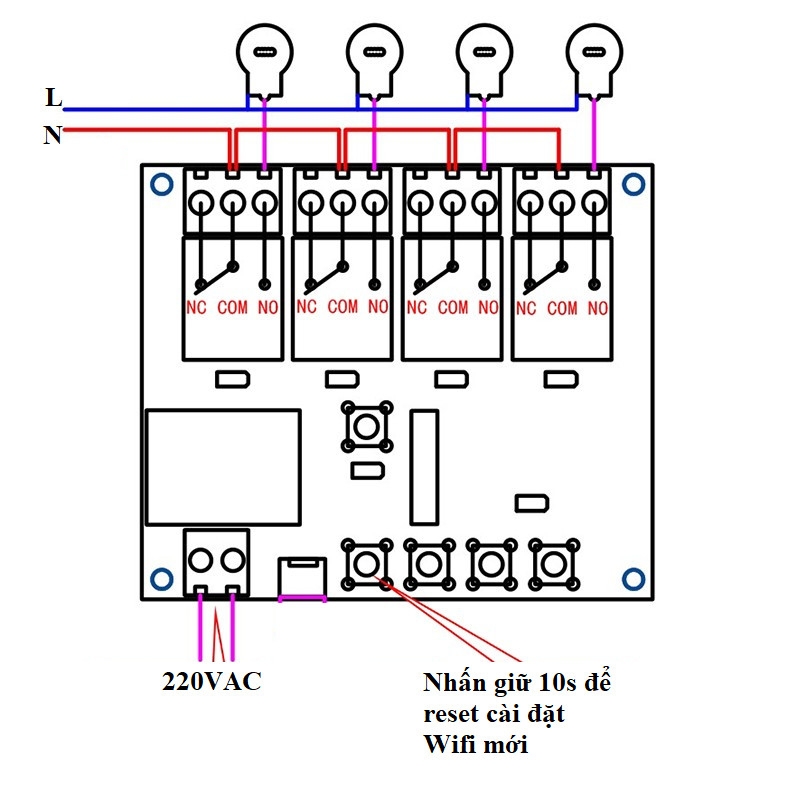
Bộ điều khiển thiết bị qua wifi 4 kênh (4 thiết bị 220)
(Mã SP:PVN3780)
Thương hiệu: Chưa cập nhật
Bộ điều khiển thiết bị qua wifi 4 kênh (4 thiết bị 220)
Mô tả sản phẩm
– Điều khiển các thiết bị từ xa
– Điều Khiển các thiết bị qua điện thoại
– Hẹn giờ cài đặt bật tắt thiết bị..

– Điện Áp: 5V1A DC ( Mạch có module chuyển nguồn 220VAC xuống 5V được tích hợp trên mạch )
Lưu Ý: Đối với trường hợp cắm nguồn mà led trạng thái relay sáng mờ mờ hoặc đóng ngăt thiết bị màn hình điện thoại báo không kết nối được thường thì là do nguồn mini bên trên mạch được tích hợp không đủ công suất, khắc phục bằng cách cắm nguồn ngoài 5VDC-1A cho jack DC là hoạt động bình thường hoặc liên hệ nhà cung cấp để được hỗ trợ.
– Sản phẩm phù hợp cả với IOS và Android Trong giao diện khi cài đặt phần mềm của IOS và Androi có thể khác nhau nhưng các chức năng không khác nhau.
– Kích Thước: 115x90x40MM
– Công suất Relay P <=500W để đảm bảo hoạt động tốt đối với các thiết bị có tải lớn quý khách vui lòng lắp thêm khởi động từ.
⦁ Điều khiển 4 thiết bị độc lập nhau.
⦁ Điều khiển hẹn giờ từng thiết bị.
⦁ Chia sẻ được cho nhiều người dùng.
⦁ Hiển thị trạng thái ON/OFF trên App Ewelink
⦁ Điều khiển được qua 3G, Wifi.
⦁ Chức năng điều khiển bằng nút nhấn trực tiếp trên phần cứng.
Mạch có chức năng mở rộng thêm điều khiển từ xa bằng RF Khách hàng có thể mua thêm module RF315 Loại M4 Cắm đúng chiều theo ký hiệu trên mạch và mua thêm tay phát 4 kênh loại RF315 thì có thể điều khiển được cả từ xa qua RF, trạng thái của Relay ON/OFF đều được hiển thị trên App EWelink
DATASHEET:
Thông số kĩ thuật
Bước 1: Cấp nguồn 5VDC ( Chỉ cần cấp nguồn là có thể điều khiển được bằng Button trên mạch mà chưa cần có wifi hoặc cài trên App Lưu ý đợi led nháy theo chu kỳ 0.5S 1 lần nhấp nháy )
Bước 2: Tải app Ewelink về đăng ký tài khoản bằng chính số điện thoại bạn đang dùng chi tiết thêm ( Vui lòng xem video theo Hướng Dẫn Sử Dụng )
Hình ảnh - Hướng dẫn sử dụng



Thông tin của cửa hàng chịu trách nhiệm
- Hộ kinh doanh Linh Kiện Cầu Giấy
- Địa chỉ: Số 20 ngách 1 ngõ 46 Trần Quốc Hoàn, Cầu Giấy, Hà Nội
- Thông tin Giấy phép kinh doanh: 01G8031629
- Mã số thuế: 8336758297
Thông tin xuất xứ hàng hóa
- Hàng hóa tự gia công và lắp ráp tại Việt Nam .
- Hộ kinh doanh sản xuất Đông Xuyên nhỏ lẻ địa chỉ KCN Yên Phong 2, Đường tỉnh 295 đối diện KCN Yên Phong 2C, Bắc Ninh
Bảo hành
- Tất cả sản phẩm được đã được LKCG.VN kiểm tra và dãn tem trước khi gửi hàng
- Chính sách bảo hành sản phẩm của LKCG.VN được áp dụng: Tại đây
- Sản phẩm được kiểm tra khi quý khách yêu cầu.
1. Linh kiện IC, Chip bán dẫn, Linh kiện bán dẫn và Linh kiện điện tử nhỏ. Shop không bảo hành và đổi trả với bất cứ trường hợp nào.
2. Yêu cầu người mua cần phải có kiến thức về Kĩ thuật điện tử.
3. Nếu cần yêu cầu Kĩ thuật khách hàng liên hệ với shop trước khi mua
4. Quý khách lưu ý và cân nhắc trước khi mua.
Từ khóa
LKCG.VN
LinhKienCauGiay.Com
CNC Linh Kiện Điện tử
Máy in 3D
Robot mô hình
Pulley
Puly
